901-50-011
Can't find what you're looking for? Go to the Product Selector
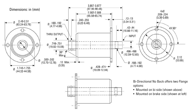
Clutch/Brake, BDNB 250 IN LBS BI-SIDE FLANGE, 扭簧, Bi-Directional No-Back Clutch, 雙向無背隙離合器-65, 軸輸入, 0.500 / 0.502 英寸 Bore, Mechanical Only, 250 in-lbs 靜態力矩
- 雙向逆止離合器以低成本提供了卓越的功能組合。該裝置的基本功能可以輕松適應需要通過旋轉驅動能力實現自動位置保持的廣泛應用。
- 僅在扭矩施加到輸入軸上時,才可旋轉BDNB。輸入軸可沿任意方向驅動,扭矩直接傳遞至輸出軸。
- 當輸入端無力矩時,輸出軸被“鎖定”,兩個方向均無法旋轉。施加在輸出軸上的任何力矩都會被直接傳遞給離合器,不會影響輸入。
