BF-22B24-E06
Can't find what you're looking for? Go to the Product Selector
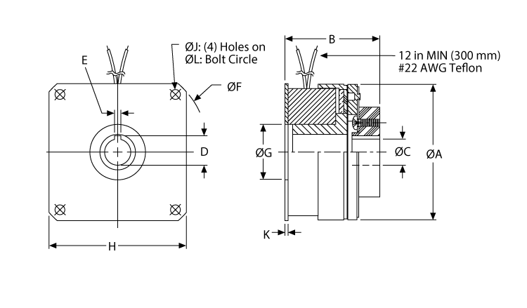
Brake, 摩擦, Power On brake, BF系列-22, 2.26 英寸 Outside Diameter, 0.3750 英寸 Bore, 24 Vdc, 40 in-lbs 靜態力矩
- 電磁加電制動器提供了一種停止和/或保持負載的高效、可電氣切換的方法。現場(電磁)組件通過法蘭被固定和防止旋轉,電樞組件被固定在軸上。當線圈通電時,電樞接合固定磁場(電磁)組件的摩擦表面,從而停止和/或保持負載。
- 靜態或動態嚙合
