MAM12OPNWWSS
Can't find what you're looking for? Go to the Product Selector
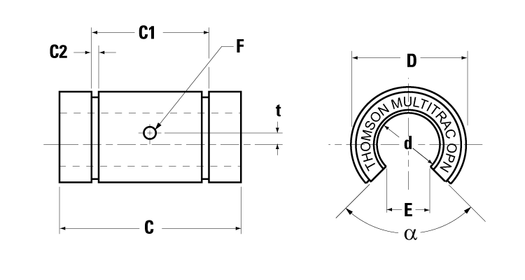
直線軸承, 僅滾珠襯套, MultiTrac, 12 毫米, 開口型, 非自調心, 可調節, 不銹鋼, 兩端均集成刮塵片; 配合使用 12 毫米 直徑 連續支撐應用中的軸
- 極其堅固的MultiTrac滾珠襯套可減小變形,且其負載能力和運行壽命分別是傳統滾珠襯套軸承的2倍和8倍。
- 軸承獲專利的滾珠控制技術消除了高摩擦滑動軸承常見的粘合和振顫(爬行)問題。
- 摩擦系數低至0.001。當更換高摩擦系數的滑動軸承時,精密鋼滾珠襯套軸承可顯著提高機器生產率和效率。
- 用于公制導向軸
