RADMO-42A

RADMO-42A
RADMO-42A

直線運動單元, RADIAL MOUNT 42A


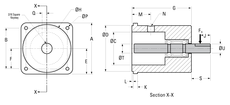
  • Radial Mount shaft extenders are supplied with RMC-42A Radial Mount Coupling.
  • Use for the mounting of actuating devices that will impart a cantilever load to the ball screw shaft extension.
  • May be used with: – Pulley and Belt Drives – Hand Cranks – Pinion Gears

Dimensions

dimensions
尺寸價值
[A]4.19 英寸
[B]3.5 英寸
[D]4.1 英寸
[E]2.09 英寸
[F]1.75 英寸
[G]4.225 英寸
[H]3.5 英寸
[J]1 英寸
[K]0.38 英寸
[L]0.16 英寸
[M]1.43 英寸
[N]0.5 英寸
[P]0.27 英寸
[Q]0.68 英寸
[S]2.19 英寸
[T]0.747 英寸
[U]0.747 英寸

Specifications

Specifications價值
Use with2EB24 

Get Quote

*Please fill out the information below so we can best assist you: