RMC-23A

RMC-23A
RMC-23A

直線運動單元, COUPLING RADIAL MOUNT


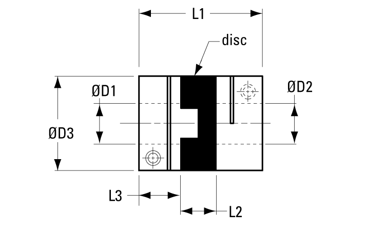
Dimensions

dimensions
尺寸價值
[D1]0.188 英寸
[D2]0.626 英寸
[D3]0.131 英寸
[L1]1.89 英寸

Specifications

Specifications價值

Get Quote

*Please fill out the information below so we can best assist you: