SSUPB08-MOD-FNYB
Can't find what you're looking for? Go to the Product Selector
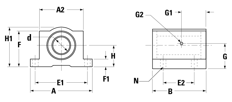
直線軸承, 軸承座, 超智能, 0.5 英寸, 閉合型, 自調心; 配合使用 0.5 英寸 直徑 L級 端部支撐應用中的軸
- 用于末端支撐軸的封閉軸承座。
- 用于L級導向軸
- 每個軸承座中都有出廠安裝的滾珠襯套軸承
- Each Super Smart Pillow block is complete with integral double acting seals unless otherwise specified
- 黑色陽極氧化涂層(XS)
