TSFB16-LS
Can't find what you're looking for? Go to the Product Selector
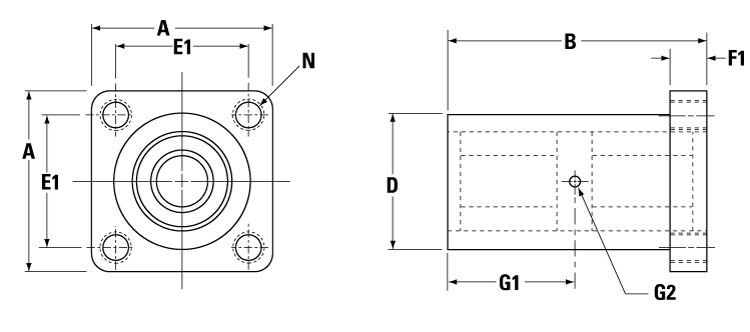
直線軸承, 軸承座, 超級, 1 英寸, 閉合型, 雙, 自調心, 簡易密封, Flanged; 配合使用 1 英寸 直徑 L級 端部支撐應用中的軸
- 用于末端支撐軸的封閉軸承座。
- 用于L級導向軸
- 每個軸承座中都有出廠安裝的滾珠襯套軸承
- Super Ball Bushing bearing pillow blocks are provided with integral, double acting seals unless otherwise specified
