WH05Z120-00150-00590-CN0000-43
Can't find what you're looking for? Go to the Product Selector
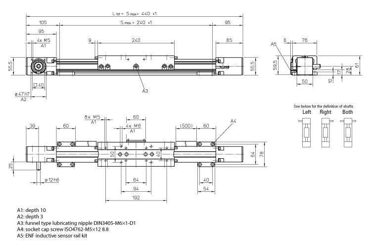
直線運動單元, WH50, 皮帶 Drive, 滾輪 Guide, 0.05 毫米 Repeatability, 150 毫米 Stroke, 590 毫米 Overall Length, 單個標準滑塊, 120 毫米 Travel Per Shaft Rev, Shaft On Left Side With Keyway, 6500 Maximum Linear Speed
- 取代
- 速度最高6.5 m/s
- Belt Driven
- 帶驅動
