WM08Z170-00570-01060-AS0000-39
Can't find what you're looking for? Go to the Product Selector
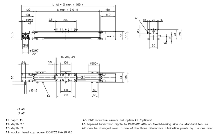
直線運動單元, WM80Z, 皮帶 Drive, 滾珠 Guide, 0.05 毫米 Repeatability, 570 毫米 Stroke, 1060 毫米 Overall Length, 單短滑塊, 170 毫米 Travel Per Shaft Rev, Shaft On Left Side Without Keyway, 2507.5 Maximum Linear Speed
- 取代
- 中央潤滑所有需潤滑零件
